产品中心

联系我们

沈阳筑丰科技有限公司

联系人:李经理 

电话:024-83863263  159-4012-9815

邮箱:bipvcn@163.com 

网址:www.syzfkj.cn

地址:沈阳市沈北新区中电光谷信息港B10

【规范】全文强制性国家标准

29492025-08-11
图片

为贯彻落实《国务院关于印发深化标准化工作改革方案的通知》(国发〔2015〕13号)精神,按照《住房和城乡建设部关于深化工程建设标准化工作改革的意见》(建标〔2016〕166号)关于构建我国全文强制性工程建设规范(以下简称工程规范)体系要求,住房与城乡建设部组织编制了一系列工程规范。下文为《建筑节能与可再生能源利用通用规范》


目录

1  总则

2  基本规定

3  新建建筑节能设计

3.1  建筑和围护结构

3.2  供暖、通风与空调

3.3  电气

3.4  给水排水及燃气

4  既有建筑节能改造设计

4.1  一般规定

4.2  围护结构

4.3  建筑设备系统

5  可再生能源建筑应用系统设计

5.1  一般规定

5.2  太阳能系统

5.3  地源热泵系统

5.4  空气源热泵系统

6  施工、调试及验收

6.1  一般规定

6.2  围护结构

6.3  建筑设备系统

6.4  可再生能源应用系统

7  运行管理

7.1  运行与维护

7.2  节能管理

附录

A  不同气候区新建建筑平均能耗指标

B  建筑分类及参数计算

C  建筑围护结构热工性能权衡判断


1 总   则


1.0.1  为执行国家有关节约能源、保护生态环境、应对气候变化的法律、法规,落实碳达峰、碳中和决策部署,提高能源资源利用效率,推动可再生能源利用,降低建筑碳排放,营造良好的建筑室内环境,满足经济社会高质量发展的需要,制定本规范。


1.0.2  新建、扩建和改建建筑以及既有建筑节能改造工程的建筑节能与可再生能源建筑应用系统的设计、施工、验收及运行管理必须执行本规范。


1.0.3  建筑节能应以保证生活和生产所必需的室内环境参数和使用功能为前提,遵循被动节能措施优先的原则。应充分利用天然采光、自然通风,改善围护结构保温隔热性能,提高建筑设备及系统的能源利用效率,降低建筑的用能需求。应充分利用可再生能源,降低建筑化石能源消耗量。


1.0.4  工程建设所采用的技术方法和措施是否符合本规范要求,由相关责任主体判定。其中,创新性的技术方法和措施,应进行论证并符合本规范中有关性能的要求。


2 基 本 规 定


2.0.1  新建居住建筑和公共建筑平均设计能耗水平应在2016年执行的节能设计标准的基础上分别降低30%和20%。不同气候区平均节能率应符合下列规定:

1  严寒和寒冷地区居住建筑平均节能率应为75%;

2  除严寒和寒冷地区外,其他气候区居住建筑平均节能率应为65%;

3  公共建筑平均节能率应为72%。


2.0.2  标准工况下,不同气候区的各类新建建筑平均能耗指标应按本规范附录A确定。


2.0.3  新建的居住和公共建筑碳排放强度应分别在2016年执行的节能设计标准的基础上平均降低40%,碳排放强度平均降低 7kgCO2/(㎡ • a)以上。


2.0.4  新建建筑群及建筑的总体规划应为可再生能源利用创造条件,并应有利于冬季增加日照和降低冷风对建筑影响,夏季增强自然通风和减轻热岛效应。


2.0.5  新建、扩建和改建建筑以及既有建筑节能改造均应进行建筑节能设计。建设项目可行性研究报告、建设方案和初步设计文件应包含建筑能耗、可再生能源利用及建筑碳排放分析报告。施工图设计文件应明确建筑节能措施及可再生能源利用系统运营管理的技术要求。


2.0.6  不同类型的建筑应按建筑分类分别满足相应性能要求。建筑分类及参数计算应符合本规范附录B的规定。


2.0.7  当工程设计变更时,建筑节能性能不得降低。


2.0.8  供冷系统及非供暖房间的供热系统的管道均应进行保温设计。


3 新建建筑节能设计


3.1

建筑和围护结构


3.1.1  建筑和围护结构热工设计应满足本节性能要求;其中, 本规范第3.1.2条、第3.1.4条、第3.1.6〜3.1.10条、第3.1.12条应允许按本规范附录C的规定通过围护结构热工性能权衡判断满足要求。


3.1.2  居住建筑体形系数应符合表3.1.2的规定。

图片


3.1.3  严寒和寒冷地区公共建筑体形系数应符合表3.1.3的规定。

图片


3.1.4  居住建筑的窗墙面积比应符合表3.1.4的规定;其中,每套住宅应允许一个房间在一个朝向上的窗墙面积比不大于0.6。

图片


3.1.5  居住建筑的屋面天窗与所在房间屋面面积的比值应符合表3.1.5的规定。

图片


3.1.6  甲类公共建筑的屋面透光部分面积不应大于屋面总面积的20%。


3.1.7  设置供暖、空调系统的工业建筑总窗墙面积比不应大于0.50,且屋顶透光部分面积不应大于屋顶总面积的15%。


3.1.8  居住建筑非透光围护结构的热工性能指标应符合表3.1.8-1~表3.1.8-11的规定。

图片
图片
图片
图片
图片
图片
图片
图片
图片
图片
图片
图片
图片
图片
图片
图片


3.1.9  居住建筑透光围护结构的热工性能指标应符合表3.1.9-1~表3.1.9-5的规定。

图片
图片
图片
图片
图片
图片


3.1.10  甲类公共建筑的围护结构热工性能应符合表3.1.10-1~表3.1.10-6的规定。

图片
图片
图片
图片
图片
图片
图片
图片
图片
图片


3.1.11  乙类公共建筑的围护结构热工性能应符合表3.1.11-1和表3.1.11-2的规定。

图片
图片


3.1.12  设置供暖空调系统的工业建筑围护结构热工性能应符合表3.1.12-1~表3.1.12-9的规定。

图片
图片
图片


3.1.13  当公共建筑入口大堂采用全玻幕墙时,全玻幕墙中非中空玻璃的面积不应超过该建筑同一立面透光面积(门窗和玻璃幕墙)的15%,且应按同一立面透光面积(含全玻幕墙面积)加权计算平均传热系数。


3.1.14  外窗的通风开口面积应符合下列规定:

1  夏热冬暖、温和B区居住建筑外窗的通风开口面积不应小于房间地面面积的10%或外窗面积的45%,夏热冬冷、温和A区居住建筑外窗的通风开口面积不应小于房间地面面积的5%;

2  公共建筑中主要功能房间的外窗(包括透光幕墙)应设置可开启窗扇或通风换气装置。


3.1.15  建筑遮阳措施应符合下列规定:

1  夏热冬暖、夏热冬冷地区,甲类公共建筑南、东、西向外窗和透光幕墙应采取遮阳措施;

2  夏热冬暖地区,居住建筑的东、西向外窗的建筑遮阳系数不应大于0.8。


3.1.16  居住建筑幕墙、外窗及敞开阳台的门在10Pa压差下,每小时每米缝隙的空气渗透量q1不应大于1.5m³,每小时每平方米面积的空气渗透量q2不应大于4.5m³。


3.1.17  居住建筑外窗玻璃的可见光透射比不应小于0.40。


3.1.18  居住建筑的主要使用房间(卧室、书房、起居室等)的房间窗地面积比不应小于1/7。


3.1.19  外墙保温工程应采用预制构件、定型产品或成套技术,并应具备同一供应商提供配套的组成材料和型式检验报告。型式检验报告应包括配套组成材料的名称、生产单位、规格型号、主要性能参数。外保温系统型式检验报告还应包括耐候性和抗风压性能检验项目。


3.1.20  电梯应具备节能运行功能。两台及以上电梯集中排列时,应设置群控措施。电梯应具备无外部召唤且轿厢内一段时间无预置指令时,自动转为节能运行模式的功能。自动扶梯、自动人行步道应具备空载时暂停或低速运转的功能。


3.2

供暖、通风与空调


3.2.1  除乙类公共建筑外,集中供暖和集中空调系统的施工图设计,必须对设置供暖、空调装置的每一个房间进行热负荷和逐项逐时冷负荷计算。


3.2.2  对于严寒和寒冷地区居住建筑,只有当符合下列条件之一时,应允许采用电直接加热设备作为供暖热源:

1 无城市或区域集中供热,采用燃气、煤、油等燃料受到环保或消防限制,且无法利用热泵供暖的建筑。

2 利用可再生能源发电,其发电量能满足自身电加热用电量需求的建筑。

3 利用蓄热式电热设备在夜间低谷电进行供暖或蓄热,且不在用电高峰和平段时间启用的建筑。

4 电力供应充足,且当地电力政策鼓励用电供暖时。


3.2.3  对于公共建筑,只有当符合下列条件之一时,应允许采用电直接加热设备作为供暖热源:

1  无城市或区域集中供热,采用燃气、煤、油等燃料受到环保或消防限制,且无法利用热泵供暖的建筑。

2  利用可再生能源发电,其发电量能满足自身电加热用电量需求的建筑。

3  以供冷为主、供暖负荷非常小,且无法利用热泵或其他方式提供供暖热源的建筑。

4  以供冷为主、供暖负荷小,无法利用热泵或其他方式提供供暖热源,但可以利用低谷电进行蓄热且电锅炉不在用电高峰和平段时间启用的空调系统。

5  室内或工作区的温度控制精度小于0.5℃,或相对湿度控制精度小于5%的工艺空调系统。

6  电力供应充足,且当地电力政策鼓励用电供暖时。


3.2.4  只有当符合下列条件之一时,应允许采用电直接加热设备作为空气加湿热源:

1  冬季无加湿用蒸汽源,且冬季室内相对湿度控制精度要求高的建筑。

2  利用可再生能源发电,且其发电量能满足自身加湿用电量需求的建筑。

3  电力供应充足,且电力需求侧管理鼓励用电时。


3.2.5  锅炉的选型,应与当地长期供应的燃料种类相适应。在名义工况和规定条件下,锅炉的设计热效率不应低于表3.2.5-1~表3.2.5-3的数值。

图片


3.2.6  当设计采用户式燃气供暖热水炉作为供暖热源时,其热效率应符合表3.2.6的规定。

图片


3.2.7  除下列情况外,民用建筑不应采用蒸汽锅炉作为热源:

1  厨房、洗衣、高温消毒以及工艺性湿度控制等必须采用蒸汽的热负荷。

2  蒸汽热负荷在总热负荷中的比例大于70%且总热负荷不大于1.4MW。


3.2.8  电动压缩式冷水机组的总装机容量,应按本规范第3.2.1条的规定计算的空调冷负荷值直接选定,不得另作附加。在设计条件下,当机组的规格不符合计算冷负荷的要求时,所选择机组的总装机容量与计算冷负荷的比值不得大于1.1。


3.2.9  采用电机驱动的蒸汽压缩循环冷水(热泵)机组时,其在名义制冷工况和规定条件下的性能系数(COP)应符合下列规定:

1  定频水冷机组及风冷或蒸发冷却机组的性能系数(COP)不应低于表3.2.9-1的数值;

2  变频水冷机组及风冷或蒸发冷却机组的性能系数(COP)不应低于表3.2.9-2中的数值。

图片
图片


3.2.10  电机驱动的蒸汽压缩循环冷水(热泵)机组的综合部分负荷性能系数(IPLV)应按下式计算:

图片


3.2.11  当采用电机驱动的蒸汽压缩循环冷水(热泵)机组时, 综合部分负荷性能系数(IPLV)应符合下列规定:

1  综合部分负荷性能系数(IPLV)计算方法应符合本规范第3.2.10条的规定;

2  定频水冷机组及风冷或蒸发冷却机组的综合部分负荷性能系数(IPLV)不应低于表3.2.11-1的数值;

3  变频水冷机组及风冷或蒸发冷却机组的综合部分负荷性能系数(IPLV)不应低于表3. 2.11-2中的数值。

图片
图片


3.2.12  采用多联式空调(热泵)机组时,其在名义制冷工况和规定条件下的能效不应低于表3.2.12-1、表3.2.12-2的数值。

图片
图片


3.2.13  采用电机驱动的单元式空气调节机、风管送风式空调(热泵)机组时,其在名义制冷工况和规定条件下的能效应符合下列规定:

1  采用电机驱动压缩机、室内静压为0Pa (表压力)的单元式空气调节机能效不应低于表3.2.13-1〜表3.2.13-3的数值;

2  采用电机驱动压缩机、室内静压大于0Pa (表压力)的风管送风式空调(热泵)机组能效不应低于表3.2.13-4〜表3.2.13-6中的数值。

图片
图片
图片
图片


3.2.14  除严寒地区外,采用房间空气调节器的全年性能系数(APF)和制冷季节能效比(SEER)不应小于表3.2.14的规定。

图片


3.2.15  采用直燃型漠化锂吸收式冷(温)水机组时,其在名义工况和规定条件下的性能参数应符合表3.2.15的规定。

图片


3.2.16  风机水泵选型时,风机效率不应低于现行国家标准《通风机能效限定值及能效等级》GB 19761规定的通风机能效等级的2级。循环水泵效率不应低于现行国家标准《清水离心泵能效限定值及节能评价值》GB 19762规定的节能评价值。


3.2.17  除温湿度波动范围要求严格的空调区外,在同一个全空气空调系统中,不应有同时加热和冷却过程。


3.2.18  直接与室外空气接触的楼板或与不供暖供冷房间相邻的地板作为供暖供冷辐射地面时,必须设置绝热层。


3.2.19  严寒和寒冷地区采用集中新风的空调系统时,除排风含有毒有害高污染成分的情况外,当系统设计最小总新风量大于或等于40000m³/h时,应设置集中排风能量热回收装置。


3.2.20  集中供热(冷)的室外管网应进行水力平衡计算,且应在热力站和建筑物热力入口处设置水力平衡或流量调节装置。


3.2.21  锅炉房和换热机房应设置供热量自动控制装置。


3.2.22  间接供热系统二次侧循环水泵应采用调速控制方式。


3.2.23  当冷源系统采用多台冷水机组和水泵时,应设置台数控制;对于多级泵系统,负荷侧各级泵应采用变频调速控制;变风量全空气空调系统应采用变频自动调节风机转速的方式。大型公共建筑空调系统应设置新风量按需求调节的措施。


3.2.24  供暖空调系统应设置自动室温调控装置。


3.2.25  集中供暖系统热量计量应符合下列规定:

1  锅炉房和换热机房供暖总管上,应设置计量总供热量的热量计量装置;

2  建筑物热力入口处,必须设置热量表,作为该建筑物供热量结算点;

3  居住建筑室内供暖系统应根据设备形式和使用条件设置热量调控和分配装置;

4  用于热量结算的热量计量必须采用热量表。


3.2.26  锅炉房、换热机房和制冷机房应对下列内容进行计量:

1  燃料的消耗量;

2  供热系统的总供热量;

3  制冷机(热泵)耗电量及制冷(热泵)系统总耗电量;

4  制冷系统的总供冷量;

5  补水量。


3.3

电气


3.3.1  电力变压器、电动机、交流接触器和照明产品的能效水平应高于能效限定值或能效等级3级的要求。


3.3.2  建筑供配电系统设计应进行负荷计算。当功率因数未达到供电主管部门要求时,应采取无功补偿措施。


3.3.3  季节性负荷、工艺负荷卸载时,为其单独设置的变压器应具有退岀运行的措施。


3.3.4  水泵、风机以及电热设备应采取节能自动控制措施。

 

3.3.5  甲类公共建筑应按功能区域设置电能计量。


3.3.6  建筑面积不低于20000㎡且采用集中空调的公共建筑,应设置建筑设备监控系统。


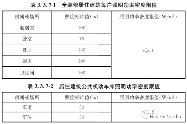
3.3.7  建筑照明功率密度应符合表3.3.7-1~表3.3.7-12的规定;当房间或场所的室形指数值等于或小于1时,其照明功率密度限值可增加,但增加值不应超过限值的20%;当房间或场所的照度标准值提高或降低一级时,其照明功率密度限值应按比例提高或折减。

图片
图片
图片
图片
图片
图片
图片
图片
图片
图片
图片
图片


3.3.8  建筑的走廊、楼梯间、门厅、电梯厅及停车库照明应能够根据照明需求进行节能控制;大型公共建筑的公用照明区域应采取分区、分组及调节照度的节能控制措施。


3.3.9  有天然采光的场所,其照明应根据采光状况和建筑使用条件采取分区、分组、按照度或按时段调节的节能控制措施。


3.3.10  旅馆的每间(套)客房应设置总电源节能控制措施。


3.3.11  建筑景观照明应设置平时、一般节日及重大节日多种控制模式。


3.4

给水排水及燃气


3.4.1  集中生活热水供应系统热源应符合下列规定:

1  除有其他用蒸汽要求外,不应采用燃气或燃油锅炉制备蒸汽作为生活热水的热源或辅助热源;

2  除下列条件外,不应釆用市政供电直接加热作为生活热水系统的主体热源;

1)按60C计的生活热水最高日总用水量不大于5m3,或人均最高日用水定额不大于10L的公共建筑;

2)无集中供热热源和燃气源,采用煤、油等燃料受到环 保或消防限制,且无条件采用可再生能源的建筑;

3)利用蓄热式电热设备在夜间低谷电进行加热或蓄热, 且不在用电高峰和平段时间启用的建筑;

4)电力供应充足,且当地电力政策鼓励建筑用电直接加热做生活热水热源时。


3.4.2  以燃气或燃油锅炉作为生活热水热源时,其锅炉额定工况下热效率应符合本规范第3.2.5条的规定。当采用户式燃气热水器或供暖炉为生活热水热源时,其设备能效应符合表3.4.2的规定。

图片


3.4.3  当采用空气源热泵热水机组制备生活热水时,热泵热水机在名义制热工况和规定条件下,性能系数(COP)不应低于表3.4.3规定的数值,并应有保证水质的有效措施。

图片


3.4.4  居住建筑采用户式电热水器作为生活热水热源时,其能效指标应符合表3.4.4的规定。

图片


3.4.5  给水泵设计选型时其效率不应低于现行国家标准《清水离心泵能效限定值及节能评价值》GB 19762规定的节能评价值。


3.4.6  当采用单个燃烧器额定热负荷不大于5.23kW的家用燃气灶具时,其能效限定值应符合表3.4.6的规定。

图片


4 既有建筑节能改造设计


4.1

一般规定


4.1.1  民用建筑改造涉及节能要求时,应同期进行建筑节能改造。


4.1.2  节能改造涉及抗震、结构、防火等安全时,节能改造前应进行安全性能评估。


4.1.3  既有建筑节能改造应先进行节能诊断,根据节能诊断结果,制定节能改造方案。节能改造方案应明确节能指标及其检测与验收的方法。


4.1.4  既有建筑节能改造设计应设置能量计量装置,并应满足节能验收的要求。


4.2

围护结构


4.2.1  外墙、屋面的节能诊断应包括下列内容:

1  严寒和寒冷地区,外墙、屋面的传热系数、热工缺陷及热桥部位内表面温度;

2  夏热冬冷和夏热冬暖地区,外墙、屋面隔热性能。


4.2.2  建筑外窗、透光幕墙的节能诊断应包括下列内容:

1  严寒和寒冷地区,外窗、透光幕墙的传热系数;

2  外窗、透光幕墙的气密性;

3  除北向外,外窗、透光幕墙的太阳得热系数。


4.2.3  外墙采用可粘结工艺的外保温改造方案时,其基墙墙面的性能应满足保温系统的要求。


4.2.4  加装外遮阳时,应对原结构的安全性进行复核、验算。当结构安全不能满足要求时,应对其进行结构加固或采取其他遮阳措施。


4.2.5  外围护结构进行节能改造时,应配套进行相关的防水、防护设计。


4.3

建筑设备系统


4.3.1  建筑设备系统节能诊断应包括下列内容:

1  能源消耗基本信息;

2  主要用能系统、设备能效及室内环境参数。


4.3.2  当冷热源系统改造时,应根据系统原有的冷热源运行记录及围护结构改造情况进行系统冷热负荷计算,并应对整个制冷季、供暖季负荷进行分析。


4.3.3  冷热源改造后应能满足原有输配系统和空调末端系统的设计要求。


4.3.4  集中供暖系统热源节能改造设计应设置能根据室外温度变化自动调节供热量的装置。


4.3.5  供暖空调系统末端节能改造设计应设置室温调控装置。


4.3.6  锅炉房、换热机房及制冷机房节能改造设计,应设置能量计量装置,并符合本规范第3.2.26条的规定。


4.3.7  集中供暖系统节能改造设计应设置热计量装置,并符合本规范第3.2.25条的规定。


4.3.8  当供暖空调系统冷源或管网或末端节能改造时,应对原有输配管网水力平衡状况及循环水泵、风机进行校核计算,当不满足本规范的相关规定时,应进行相应改造。变流量系统的水泵、风机应设置变频措施。


4.3.9  当更换生活热水供应系统的锅炉及加热设备时,更换后的设备应能根据设定温度自动调节燃料供给量,且能保证岀水温度稳定。


4.3.10  照明系统节能改造设计应在满足用电安全和功能要求的前提下进行;照明系统改造后,走廊、楼梯间、门厅、电梯厅及停车库等场所应能根据照明需求进行节能控制。


4.3.11  建筑设备集中监测与控制系统节能改造设计,应满足设备和系统节能控制要求;对建筑能源消耗状况、室内外环境参数、设备及系统的运行参数进行监测,并应具备显示、查询、报警和记录等功能。其存储介质和数据库应能记录连续一年以上的运行参数。


5 可再生能源建筑应用系统设计


5.1

一般规定


5.1.1  可再生能源建筑应用系统设计时,应根据当地资源与适用条件统筹规划。


5.1.2  采用可再生能源时,应根据适用条件和投资规模确定该类能源可提供的用能比例或保证率,以及系统费效比,并应根据项目负荷特点和当地资源条件进行适宜性分析。


5.2

太阳能系统


5.2.1  新建建筑应安装太阳能系统。


5.2.2  在既有建筑上增设或改造太阳能系统,必须经建筑结构安全复核,满足建筑结构的安全性要求。


5.2.3  太阳能系统应做到全年综合利用,根据使用地的气候特征、实际需求和适用条件,为建筑物供电、供生活热水、供暖或(及)供冷。


5.2.4  太阳能建筑一体化应用系统的设计应与建筑设计同步完成。建筑物上安装太阳能系统不得降低相邻建筑的日照标准。


5.2.5  太阳能系统与构件及其安装安全,应符合下列规定:

1  应满足结构、电气及防火安全的要求;

2  由太阳能集热器或光伏电池板构成的围护结构构件,应满足相应围护结构构件的安全性及功能性要求;

3  安装太阳能系统的建筑,应设置安装和运行维护的安全防护措施,以及防止太阳能集热器或光伏电池板损坏后部件坠落伤人的安全防护设施。


5.2.6  太阳能系统应对下列参数进行监测和计量:

1  太阳能热利用系统的辅助热源供热量、集热系统进岀口水温、集热系统循环水流量、太阳总辐照量,以及按使用功能分类的下列参数:

1) 太阳能热水系统的供热水温度、供热水量;

2) 太阳能供暖空调系统的供热量及供冷量、室外温度、代表性房间室内温度。

2  太阳能光伏发电系统的发电量、光伏组件背板表面温度、室外温度、太阳总辐照量。


5.2.7  太阳能热利用系统应根据不同地区气候条件、使用环境和集热系统类型采取防冻、防结露、防过热、防热水渗漏、防雷、防雹、抗风、抗震和保证电气安全等技术措施。


5.2.8  防止太阳能集热系统过热的安全阀应安装在泄压时排岀的高温蒸汽和水不会危及周围人员的安全的位置上,并应配备相应的设施;其设定的开启压力,应与系统可耐受的最高工作温度对应的饱和蒸汽压力相一致。


5.2.9  太阳能热利用系统中的太阳能集热器设计使用寿命应高于15年。太阳能光伏发电系统中的光伏组件设计使用寿命应高于25年,系统中多晶硅、单晶硅、薄膜电池组件自系统运行之日起,一年内的衰减率应分别低于2.5%、3%、5%,之后每年衰减应低于0.7%。


5.2.10  太阳能热利用系统设计应根据工程所采用的集热器性能参数、气象数据以及设计参数计算太阳能热利用系统的集热效率,且应符合表5.2.10的规定。

图片


5.2.11  太阳能光伏发电系统设计时,应给岀系统装机容量和年发电总量。


5.2.12  太阳能光伏发电系统设计时,应根据光伏组件在设计安装条件下光伏电池最高工作温度设计其安装方式,保证系统安全稳定运行。


5.3

地源热泵系统


5.3.1  地源热泵系统方案设计前,应进行工程场地状况调查,并应对浅层或中深层地热能资源进行勘察,确定地源热泵系统实施的可行性与经济性。当浅层地埋管地源热泵系统的应用建筑面积大于或等于5000㎡时,应进行现场岩土热响应试验。


5.3.2  浅层地埋管换热系统设计应进行所负担建筑物全年动态负荷及吸、排热量计算,最小计算周期不应小于1年。建筑面积 50000㎡以上大规模地埋管地源热泵系统,应进行10年以上地源侧热平衡计算。


5.3.3  地源热泵机组的能效不应低于现行国家标准《水(地) 源热泵机组能效限定值及能效等级》GB 30721规定的节能评价值。


5.3.4  地下水换热系统应根据水文地质勘察资料进行设计。必须采取可靠回灌措施,确保置换冷量或热量后的地下水全部回灌到同一含水层,不得对地下水资源造成浪费及污染。


5.3.5  江河湖水源地源热泵系统应对地表水体资源和水体环境进行评价。


5.3.6  海水源地源热泵系统与海水接触的设备及管道,应具有耐海水腐蚀性,应采取防止海洋生物附着的措施。


5.3.7  冬季有冻结可能的地区,地埋管、闭式地表水和海水换热系统应有防冻措施。


5.3.8  地源热泵系统监测与控制工程应对代表性房间室内温度、系统地源侧与用户侧进岀水温度和流量、热泵系统耗电量、地下环境参数进行监测。


5.4

空气源热泵系统


5.4.1  空气源热泵机组的有效制热量,应根据室外温、湿度及结、除霜工况对制热性能进行修正。采用空气源多联式热泵机组时,还需根据室内、外机组之间的连接管长和高差修正。


5.4.2  当室外设计温度低于空气源热泵机组平衡点温度时,应设置辅助热源。


5.4.3  采用空气源热泵机组供热时,冬季设计工况状态下热泵机组制热性能系数(COP)不应小于表5.4.3规定的数值。

图片


5.4.4  空气源热泵机组在连续制热运行中,融霜所需时间总和不应超过一个连续制热周期的20%。


5.4.5  空气源热泵系统用于严寒和寒冷地区时,应采取防冻措施。


5.4.6  空气源热泵室外机组的安装位置,应符合下列规定:

1  应确保进风与排风通畅,且避免短路;

2  应避免受污浊气流对室外机组的影响;

3  噪声和排岀热气流应符合周围环境要求;

4  应便于对室外机的换热器进行清扫和维修;

5  室外机组应有防积雪措施;

6  应设置安装、维护及防止坠落伤人的安全防护设施。


6 施工、调试及验收


6.1

一般规定


6.1.1  建筑节能工程采用的材料、构件和设备,应在施工进场进行随机抽样复验,复验应为见证取样检验。当复验结果不合格时,工程施工中不得使用。


6.1.2  建筑设备系统和可再生能源系统工程施工完成后,应进行系统调试;调试完成后,应进行设备系统节能性能检验并岀具报告。受季节影响未进行的节能性能检验项目,应在保修期内补做。


6.1.3  建筑节能工程质量验收合格,应符合下列规定:

1  建筑节能各分项工程应全部合格;

2  质量控制资料应完整;

3  外墙节能构造现场实体检验结果应对照图纸进行核查,并符合要求;

4  建筑外窗气密性能现场实体检验结果应对照图纸进行核查,并符合要求;

5  建筑设备系统节能性能检测结果应合格;

6  太阳能系统性能检测结果应合格。


6.1.4  建筑节能验收时应对下列资料进行核查:

1  设计文件、图纸会审记录、设计变更和洽商;

2  主要材料、设备、构件的质量证明文件、进场检验记录、进场复验报告、见证试验报告;

3  隐蔽工程验收记录和相关图像资料;

4  分项工程质量验收记录;

5  建筑外墙节能构造现场实体检验报告或外墙传热系数检验报告;

6  外窗气密性能现场检验记录;

7  风管系统严密性检验记录;

8  设备单机试运转调试记录;

9  设备系统联合试运转及调试记录;

10  分部(子分部)工程质量验收记录;

11  设备系统节能性和太阳能系统性能检测报告。


6.1.5  既有建筑节能改造工程施工完成后,应进行节能工程质量验收,并应对节能量进行评估。


6.2

围护结构


6.2.1  墙体、屋面和地面节能工程采用的材料、构件和设备施工进场复验应包括下列内容:

1  保温隔热材料的导热系数或热阻、密度、压缩强度或抗压强度、吸水率、燃烧性能(不燃材料除外)及垂直于板面方向的抗拉强度(仅限墙体);

2  复合保温板等墙体节能定型产品的传热系数或热阻、单位面积质量、拉伸粘结强度及燃烧性能(不燃材料除外);

3  保温砌块等墙体节能定型产品的传热系数或热阻、抗压强度及吸水率;

4  墙体及屋面反射隔热材料的太阳光反射比及半球发射率;

5  墙体粘结材料的拉伸粘结强度;

6  墙体抹面材料的拉伸粘结强度及压折比;

7  墙体增强网的力学性能及抗腐蚀性能。


6.2.2  建筑幕墙(含采光顶)节能工程采用的材料、构件和设备施工进场复验应包括下列内容:

1  保温隔热材料的导热系数或热阻、密度、吸水率及燃烧性能(不燃材料除外);

2  幕墙玻璃的可见光透射比、传热系数、太阳得热系数及中空玻璃的密封性能;

3  隔热型材的抗拉强度及抗剪强度;

4  透光、半透光遮阳材料的太阳光透射比及太阳光反射比。


6.2.3  门窗(包括天窗)节能工程施工采用的材料、构件和设备进场时,除核查质量证明文件、节能性能标识证书、门窗节能性能计算书及复验报告外,还应对下列内容进行复验:

1  严寒、寒冷地区门窗的传热系数及气密性能;

2  夏热冬冷地区门窗的传热系数、气密性能,玻璃的太阳得热系数及可见光透射比;

3  夏热冬暖地区门窗的气密性能,玻璃的太阳得热系数及可见光透射比;

4  严寒、寒冷、夏热冬冷和夏热冬暖地区透光、部分透光遮阳材料的太阳光透射比、太阳光反射比及中空玻璃的密封性能。


6.2.4  墙体、屋面和地面节能工程的施工质量,应符合下列规定:

1  保温隔热材料的厚度不得低于设计要求;

2  墙体保温板材与基层之间及各构造层之间的粘结或连接必须牢固;保温板材与基层的连接方式、拉伸粘结强度和粘结面积比应符合设计要求;保温板材与基层之间的拉伸粘结强度应进行现场拉拔试验,且不得在界面破坏;粘结面积比应进行剥离检验;

3  当墙体采用保温浆料做外保温时,厚度大于20mm的保温浆料应分层施工;保温浆料与基层之间及各层之间的粘结必须牢固,不应脱层、空鼓和开裂;

4  当保温层采用锚固件固定时,锚固件数量、位置、锚固深度、胶结材料性能和锚固力应符合设计和施工方案的要求;

5  保温装饰板的装饰面板应使用锚固件可靠固定,锚固力应做现场拉拔试验;保温装饰板板缝不得渗漏。


6.2.5  外墙外保温系统经耐候性试验后,不得岀现空鼓、剥落或脱落、开裂等破坏,不得产生裂缝岀现渗水;外墙外保温系统拉伸粘结强度应符合表6.2.5的规定,并且破坏部位应位于保温层内。

图片


6.2.6  胶粘剂拉伸粘结强度应符合表6.2.6的规定,胶粘剂与保温板的粘结在原强度、浸水48h后干燥7d的耐水强度条件下发生破坏时,破坏部位应位于保温板内。

图片


6.2.7  抹面胶浆拉伸粘结强度应符合表6.2.7的规定,抹面胶浆与保温材料的粘结在原强度、浸水48h后干燥7d的耐水强度条件下发生破坏时,破坏部位应位于保温材料内。

图片


6.2.8  玻纤网的主要性能应符合表6.2.8的规定。

图片


6.2.9  外墙采用预置保温板现场浇筑混凝土墙体时,保温板的安装位置应正确、接缝严密;保温板应固定牢固,在浇筑混凝土过程中不应移位、变形;保温板表面应采取界面处理措施,与混凝土粘结应牢固。采用预制保温墙板现场安装的墙体,保温墙板的结构性能、热工性能必须合格,与主体结构连接必须牢固;保温墙板板缝不得渗漏。


6.2.10  外墙外保温采用保温装饰板时,保温装饰板的安装构造、与基层墙体的连接方法应对照图纸进行核查,连接必须牢固;保温装饰板的板缝处理、构造节点不得渗漏;保温装饰板的锚固件应将保温装饰板的装饰面板固定牢固。


6.2.11  外墙外保温工程中防火隔离带,应符合下列规定:

1  防火隔离带保温材料应与外墙外保温组成材料相配套;

2  防火隔离带应采用工厂预制的制品现场安装,并应与基层墙体可靠连接,且应能适应外保温系统的正常变形而不产生渗透、裂缝和空鼓;防火隔离带面层材料应与外墙外保温一致;

3  外墙外保温系统的耐候性能试验应包含防火隔离带。


6.2.12  外墙和毗邻不供暖空间墙体上的门窗洞口四周墙的侧面,以及墙体上凸窗四周的侧面,应按设计要求采取节能保温措施。严寒和寒冷地区外墙热桥部位,应采取隔断热桥措施,并对照图纸核查。


6.2.13  建筑门窗、幕墙节能工程应符合下列规定:

1  外门窗框或附框与洞口之间、窗框与附框之间的缝隙应 有效密封;

2  门窗关闭时,密封条应接触严密;

3  建筑幕墙与周边墙体、屋面间的接缝处应采用保温措施,并应采用耐候密封胶等密封。


6.2.14  建筑围护结构节能工程施工完成后,应进行现场实体检验,并符合下列规定:

1  应对建筑外墙节能构造包括墙体保温材料的种类、保温层厚度和保温构造做法进行现场实体检验。

2  下列建筑的外窗应进行气密性能实体检验:

1)严寒、寒冷地区建筑;

2)夏热冬冷地区高度大于或等于24m的建筑和有集中供暖或供冷的建筑;

3)其他地区有集中供冷或供暖的建筑。


6.3

建筑设备系统


6.3.1  供暖通风空调系统节能工程采用的材料、构件和设备施 工进场复验应包括下列内容:

1  散热器的单位散热量、金属热强度;

2  风机盘管机组的供冷量、供热量、风量、水阻力、功率及噪声;

3  绝热材料的导热系数或热阻、密度、吸水率。


6.3.2  配电与照明节能工程采用的材料、构件和设备施工进场复验应包括下列内容:

1  照明光源初始光效;

2  照明灯具镇流器能效值;

3  照明灯具效率或灯具能效;

4  照明设备功率、功率因数和谐波含量值;

5  电线、电缆导体电阻值。


6.3.3  建筑设备系统安装前,应对照图纸对建筑设备能效指标进行核查。


6.3.4  空调与供暖系统水力平衡装置、热计量装置及温度调控装置的安装位置和方向应符合设计要求,并应便于数据读取、操作、调试和维护。


6.3.5  供暖系统安装的温度调控装置和热计量装置,应满足分室(户或区)温度调控、热计量功能。


6.3.6  低温送风系统风管安装过程中,应进行风管系统的漏风量检测;风管系统漏风量应符合表6. 3. 6的规定。

图片


6.3.7  变风量末端装置与风管连接前,应做动作试验,确认运行正常后再进行管道连接。变风量空调系统安装完成后,应对变风量末端装置风量准确性、控制功能及控制逻辑进行验证,验证结果应对照设计图纸和资料进行核查。


6.3.8  供暖空调系统绝热工程施工应在系统水压试验和风管系统严密性检验合格后进行,并应符合下列规定:

1  绝热材料性能及厚度应对照图纸进行核查;

2  绝热层与管道、设备应贴合紧密且无缝隙;

3  防潮层应完整,且搭接缝应顺水;

4  管道穿楼板和穿墙处的绝热层应连续不间断;

5  阀门、过滤器、法兰部位的绝热应严密,并能单独拆卸,且不得影响其操作功能;

6  冷热水管道及制冷剂管道与支、吊架之间应设置绝热衬垫,其厚度不应小于绝热层厚度。


6.3.9  空调与供暖系统冷热源和辅助设备及其管道和管网系统安装完毕后,应按下列规定进行系统的试运转与调试:

1  冷热源和辅助设备应进行单机试运转与调试;

2  冷热源和辅助设备应进行控制功能和控制逻辑的验证;

3  冷热源和辅助设备应同建筑物室内空调系统或供暖系统进行联合试运转与调试。


6.3.10  供暖、通风与空调系统以及照明系统的节能控制措施应对照图纸进行核查。


6.3.11  监测与控制节能工程的传感器和执行机构,其安装位置、方式应对照图纸进行核查;预留的检测孔位置在管道保温时应做明显标识。


6.3.12  当建筑面积大于100000㎡的公共建筑采用集中空调系统时,应对空调系统进行调适。


6.3.13  建筑设备系统节能性能检测应符合下列规定:

1  冬季室内平均温度不得低于设计温度2℃,且不应高于1℃;夏季室内平均温度不得高于设计温度2℃,且不应低于1℃;

2  通风、空调(包括新风)系统的总风量与设计风量的允许偏差不应大于10%;

3  各风口的风量与设计风量的允许偏差不应大于15%;

4  空调机组的水流量允许偏差,定流量系统不应大于15%,变流量系统不应大于10%;

5  空调系统冷水、热水、冷却水的循环流量与设计流量的允许偏差不应大于10%;

6  室外供暖管网水力平衡度为0.9〜1.2;

7  室外供暖管网热损失率不应大于10%;

8  照度不应低于设计值的90%,照明功率密度不应大于设 计值。


6.4

可再生能源应用系统


6.4.1  太阳能系统节能工程采用的材料、构件和设备施工进场复验应包括下列内容:

1  太阳能集热器的安全性能及热性能;

2  太阳能光伏组件的发电功率及发电效率;

3  保温材料的导热系数或热阻、密度、吸水率。


6.4.2  浅层地埋管换热系统的安装应符合下列规定:

1  地埋管与环路集管连接应采用热熔或电熔连接,连接应严密且牢固;

2  竖直地埋管换热器的U形弯管接头应选用定型产品;

3  竖直地埋管换热器U形管的开口端部应密封保护;

4  回填应密实;

5  地埋管换热系统水压试验应合格。


6.4.3  地下水源热泵的热源井应进行抽水试验和回灌试验,并应单独验收,其持续岀水量和回灌量应稳定,且应对照图纸核查;抽水试验结束前应在抽水设备的岀口处采集水样进行水质和含砂量测定,水质和含砂量应满足系统设备的使用要求。


6.4.4  太阳能系统的施工安装不得破坏建筑物的结构、屋面、地面防水层和附属设施,不得削弱建筑物在寿命期内承受荷载的能力。


6.4.5  太阳能集热器和太阳能光伏电池板的安装方位角和倾角应对照设计要求进行核查,安装误差应在±3°以内。


6.4.6  太阳能系统性能检测应符合下列规定:

1  应对太阳能热利用系统的太阳能集热系统得热量、集热效率、太阳能保证率进行检测,检测结果应对照设计要求进行核查;

2  应对太阳能光伏发电系统年发电量和组件背板最髙工作温度进行检测,检测结果应对照设计要求进行核查。


7 运行管理


7.1

运行与维护


7.1.1  建筑的运行与维护应建立节能管理制度及设备系统节能运行操作规程。


7.1.2  公共建筑运行期间室内设定温度,冬季不得髙于设计值2℃,夏季不得低于设计值2℃;对作息时间固定的建筑,在非使用时间内应降低空调运行温湿度和新风控制标准或停止运行空调系统。


7.1.3  对供冷供热系统,应根据实际冷热负荷变化制定调节供冷供热量的运行方案及操作规程。对可再生能源与常规能源结合的复合式能源系统,应根据实际运行状况制定实现全年可再生能源优先利用的运行方案及操作规程。


7.1.4  集中空调系统应根据实际运行状况制定过渡季节能运行方案及操作规程;对人员密集的区域,应根据实际需求制定新风量调节方案及操作规程。


7.1.5  对排风能量回收系统,应根据实际室内外空气参数,制定能量回收装置节能运行方案及操作规程。


7.1.6  暖通空调系统运行中,应监测和评估水力平衡和风量平衡状况;当不满足要求时,应进行系统平衡调试。


7.1.7  太阳能集热系统停止运行时,应采取有效措施防止太阳能集热系统过热。


7.1.8  地下水地源热泵系统投入运行后,应对抽水量、回灌量及其水质进行定期监测。


7.1.9  建筑节能及相关设备与系统维护应符合下列规定:

1  应按节能要求对排风能量回收装置、过滤器、换热表面等影响设备及系统能效的设备和部件定期进行检查和清洗;

2  应对设备及管道绝热设施定期进行维护和检查;

3  应对自动控制系统的传感器、变送器、调节器和执行器等基本元件进行日常维护保养,并应按工况变化调整控制模式和设定参数。


7.1.10  太阳能集热系统检查和维护,应符合下列规定:

1  太阳能集热系统冬季运行前,应检查防冻措施;并应在暴雨,台风等灾害性气候到来之前进行防护检查及过后的检查维修;

2  雷雨季节到来之前应对太阳能集热系统防雷设施的安全性进行检查;

3  每年应对集热器检查至少一次,集热器及光伏组件表面应保持清洁。


7.1.11  建筑外围护结构应定期进行检查。当外墙外保温系统岀现渗漏、破损、脱落现象时,应进行修复。


7.2

节能管理


7.2.1  建筑能源系统应按分类、分区、分项计量数据进行管理;可再生能源系统应进行单独统计。建筑能耗应以一个完整的日历年统计。能耗数据应纳入能耗监督管理系统平台管理。


7.2.2  建筑能耗统计应包括下列内容:

1  建筑耗电量;

2  耗煤量、耗气量或耗油量;

3  集中供热耗热量;

4  集中供冷耗冷量;

5  可再生能源利用量。


7.2.3  公共建筑运行管理应如实记录能源消费计量原始数据,并建立统计台账。能源计量器具应在校准有效期内,保证统计数据的真实性和准确性。


7.2.4  建筑能效标识,应以单栋建筑为对象。标识应包括下列内容:

1  建筑基本信息;

2  建筑能效标识等级及相对节能率;

3  新技术应用情况;

4  建筑能效实测评估结果。


7.2.5  对于20000㎡及以上的大型公共建筑,应建立实际运行能耗比对制度,并依据比对结果采取相应改进措施。


7.2.6  实施合同能源管理的项目,应在合同中明确节能量和室内环境参数的量化目标和验证方法。


附 录


A

不同气候区新建建筑平均能耗指标


A.0.1  标准工况下,各类新建居住建筑供暖与供冷平均能耗指标应符合表A.0.1的规定。

图片


A.0.2  标准工况下,各类新建公共建筑供暖、供冷与照明平均能耗指标应符合表A.0.2的规定。

图片


B

建筑分类及参数计算


B.0.1  公共建筑的分类应符合下列规定:

1  单栋建筑面积大于300㎡的建筑或单栋面积小于或等于300㎡但总建筑面积大于1000㎡的公共建筑群,应为甲类公共建筑;

2  除甲类公共建筑外的公共建筑,为乙类公共建筑。


B.0.2  建筑围护结构热工性能参数计算应符合下列规定:

1  外墙、屋面的传热系数应为包括结构性热桥在内的平均传热系数,并应按下式计算:

图片

2  透光围护结构的传热系数应按下式计算:

图片
图片

3  透光围护结构太阳得热系数(SHGC)应按下列公式计算:

图片


B.0.3  建筑窗墙面积比的计算应符合下列规定:

1  居住建筑的窗墙面积比按照开间计算;公共建筑的窗墙面积比按照单一立面朝向计算;工业建筑的窗墙面积比按照所有立面计算;

2  凸凹立面朝向应按其所在立面的朝向计算;

3  楼梯间和电梯间的外墙和外窗均应参与计算;

4  外凸窗的顶部、底部和侧墙的面积不应计入外墙面积;

5  凸窗面积应按窗洞口面积计算。


B.0.4  建筑外窗(包括透光幕墙)的有效通风换气面积应为开启扇面积和窗开启后的空气流通界面面积的较小值。


B.0.5  朝向应按下列规定选取:

1  严寒、寒冷地区建筑朝向中的“北”应为从北偏东小于60°至北偏西小于60°的范围;“东、西”应为从东或西偏北小于或等于30°至偏南小于60°的范围;“南”应为从南偏东小于等于30°至偏西小于或等于30°的范围;

2  其他气候区建筑朝向中的“北”应为从北偏东小于30°至北偏西小于30°的范围;“东、西”应为从东或西偏北小于或等于60°至偏南小于60°的范围;“南”应为从南偏东小于或等于30°至偏西小于或等于30°的范围。


C

建筑围护结构热工性能权衡判断


C.0.1  进行权衡判断的设计建筑,其围护结构的热工性能应符合下列规定:

1  围护结构传热系数基本要求不得低于表C.0.1-1的规定。

图片

2  透光围护结构传热系数和太阳得热系数基本要求应符合下列规定:

1)当公共建筑单一立面的窗墙比大于或等于0.40时,透光围护结构的传热系数和太阳得热系数的基本要求应符合表C.0.1-2的规定。

图片

2)居住建筑和工业建筑透光围护结构太阳得热系数的基本要求应符合表C.0.1-3的规定。

图片
图片

3  居住建筑窗墙面积比基本要求应符合下列规定:

1)严寒和寒冷地区居住建筑窗墙面积比的基本要求应符合表C.0.1-4的规定。

图片

2)夏热冬冷、夏热冬暖地区居住建筑窗墙面积比大于或等于0.6时,其外窗传热系数的基本要求应符合表C.0.1-5的规定。

图片


C.0.2  建筑围护结构热工性能的权衡判断采用对比评定法,公共建筑和居住建筑判断指标为总耗电量,工业建筑判断指标为总耗煤量,并应符合下列规定:

1  对公共建筑和居住建筑,总耗电量应为全年供暖和供冷总耗电量;对工业建筑,总耗煤量应为全年供暖耗热量和供冷耗冷量的折算标煤量;

2  当设计建筑总耗电(煤)量不大于参照建筑时,应判定围护结构的热工性能符合本规范的要求;

3  当设计建筑的总能耗大于参照建筑时,应调整围护结构的热工性能重新计算,直至设计建筑的总能耗不大于参照建筑。


C.0.3  参照建筑的形状、大小、朝向、内部的空间划分、使用功能应与设计建筑完全一致。参照建筑围护结构应符合本规范第3.1.2条~第3.1.10条的规定;本规范未作规定时,参照建筑 应与设计建筑一致。建筑功能区除设计文件明确为非空调区外,均应按设置供暖和空气调节系统计算。


C.0.4  建筑围护结构热工性能权衡判断计算应采用能按照本规范要求自动生成参照建筑计算模型的专用计算软件,软件应具有以下功能:

1  采用动态负荷计算方法;

2  能逐时设置人员数量、照明功率、设备功率、室内温度、供暖和空调系统运行时间;

3  能计入建筑围护结构蓄热性能的影响;

4  能计算建筑热桥对能耗的影响;

5  能计算10个以上建筑分区;

6  能直接生成建筑围护结构热工性能权衡判断计算报告。


C.0.5  参照建筑与设计建筑的能耗计算应采用相同的软件和典型气象年数据。


C.0.6  建筑的空气调节和供暖系统运行时间、室内温度、照明功率密度值及开关时间、房间人均占有的建筑面积及在室率、人员新风量及新风机组运行时间表、电器设备功率密度及使用率应符合表C.0.6-1~表C.0.6-13的规定。

图片
图片
图片
图片
图片
图片
图片
图片
图片
图片
图片
图片


C.0.7  居住建筑和公共建筑的设计建筑和参照建筑全年供暖和供冷总耗电量计算应符合下列规定:

1  全年供暖和供冷总耗电量应按下式计算:

图片

2  全年供冷耗电量应按下式计算:

图片

3  严寒地区和寒冷地区全年供暖耗电量应按下式计算:

图片

4  夏热冬暖A区、夏热冬冷、夏热冬暖和温和地区公共建筑全年供暖耗电量应按下式计算:

图片

5  夏热冬暖A区、夏热冬冷和温和地区居住建筑全年供暖耗电量应按下式计算:

图片


6  居住建筑应计入全年的供暖能耗;供冷能耗只计入日平均温度髙于26℃时的能耗。严寒、寒冷A、温和A区只计入供暖能耗;寒冷B、夏热冬冷、夏热冬暖A区计入供暖和供冷能耗,夏热冬暖B区只计入供冷能耗。


C.0.8  工业建筑的设计建筑和参照建筑全年供暖和供冷总耗煤量计算应符合下列规定:

1  全年供暖和供冷总耗煤量应按下式计算:

图片

2  全年供冷耗煤量应按下式计算:

图片

3  全年供暖耗煤量应按下式计算:

图片


来源:中华人民共和国住房和城乡建设部网站