产品中心

联系我们

沈阳筑丰科技有限公司

联系人:李经理 

电话:024-83863263  159-4012-9815

邮箱:bipvcn@163.com 

网址:www.syzfkj.cn

地址:沈阳市沈北新区中电光谷信息港B10

【辽宁省发改委】 发布《辽宁省分布式光伏发电开发建设管理实施细则》公开征求意见

10932025-12-09
图片

辽宁省发改委近日发布《辽宁省分布式光伏发电开发建设管理实施细则》主要内容核心内容如下:

一、项目分类与定义

自然人户用:自有住宅/庭院建设,电压≤380V,可选全额上网、全部自发自用或自发自用余电上网。

非自然人户用:利用居民住宅/庭院建设,电压≤10kV,容量≤6MW,上网模式同自然人户用。

一般工商业:公共机构或工商业厂房建设,电压≤10kV,容量≤6MW,仅限全部自发自用或余电上网,余电上网比例≤50%(超限两年需设防逆流设施并禁止上网)。

大型工商业:电压35kV(容量≤20MW)或110kV(容量≤50MW),可选全部自发自用(需设防逆流)或余电上网(比例同一般工商业)。

集中式管理:农光互补、渔光互补及小型地面电站纳入集中式光伏,需统筹全省建设方案。

二、关键管理要求

上网模式限制:  

一般工商业余电上网年度比例不得超50%,连续两年超标需设防逆流且禁止后续上网。  

自发自用项目须与用户位于同一用地红线内。

备案管理:  

推行“一站式”线上办理(辽宁政务服务网),备案机关5个工作日内审核。 

自然人可选择电网企业代理备案(每月5日、25日集中办理)。  

非自然人项目禁止以自然人名义备案。

电网接入:  

建立红黄绿区域预警机制:  

红色县区:暂停新增接入;  

黄色县区:严格论证接入位置,避免加重电网反送

电网企业需公布可开放容量,2个工作日内回复并网申请。

建设与运行:  

严禁未取得电网接入意见提前开工。  

涉网设备需符合国标,并网时严格校验容量及参数。  

强制实现“可观、可测、可调、可控”,存量项目需改造升级。

三、过渡与废止

2025年5月1日前并网项目按原政策执行。

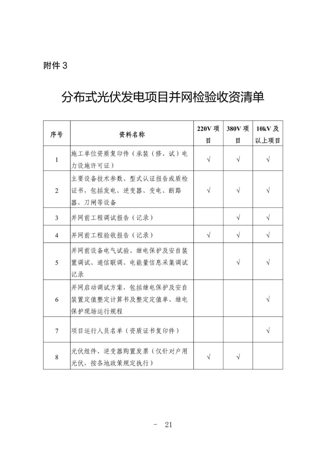
以下为《辽宁省分布式光伏发电开发建设管理实施细则》附件
图片
图片
图片
图片
图片
图片
图片
图片
图片
图片
图片
图片
图片
图片
图片
图片
图片
图片
图片
图片